Blanco Mila Noir Mat
Blanco Mila Noir Mat
Livraison en 48h
BLACK FRIDAY jusqu’au lundi 01.12 inclus
Hors produits en grande promotion
Description
Description
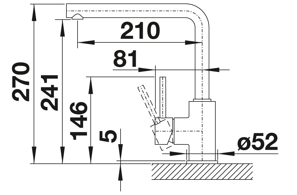
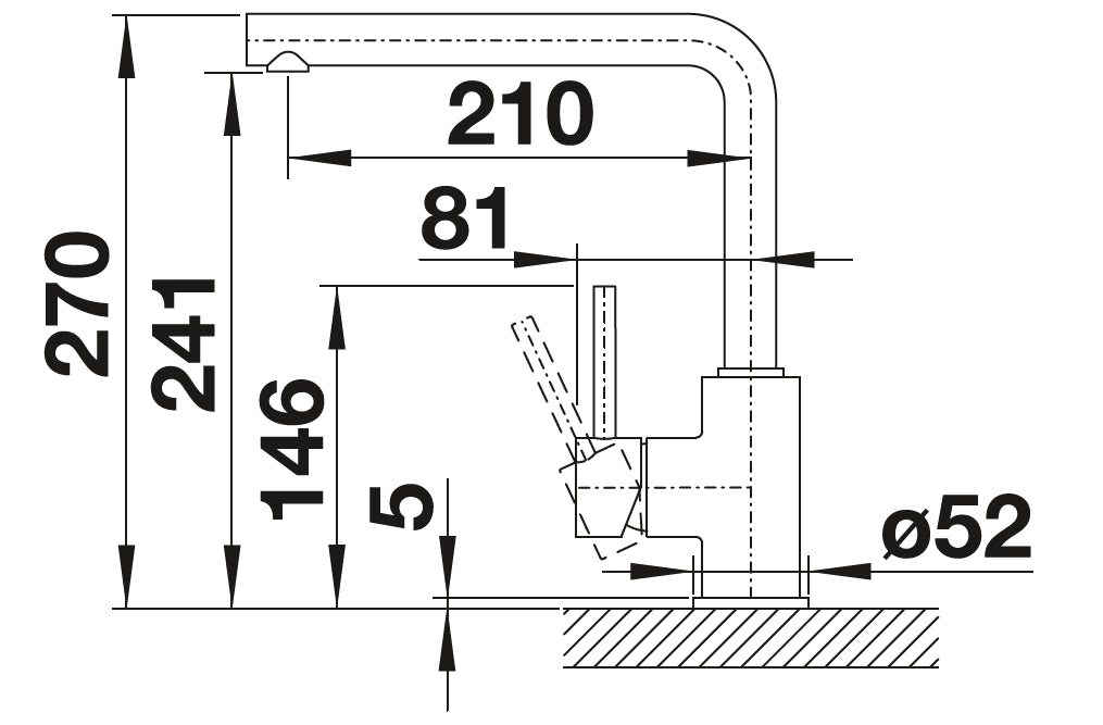
Mitigeur BLANCO MILA Noir Mat 526657
Bec haut et courbé
Bec orientable à 360°
Facilite le remplissage des récipients de grande taille
Caractéristiques du Blanco Mila
- Bec orientable à 360°
- Percement Ø 35 mm nécessaire
- Cartouche à disques céramiques (HP D=35 mm 121 894)
- Flexibles de raccordement d‘une longueur de 350 mm
- Régulateur de jet breveté réduisant nettement les dépôts de calcaire
- Plaque de renfort augmentant la stabilité de la robinetterie